更新时间:2026-04-02
点击次数:
YYVIP易游·(中国有限公司)官方网站-高效液相色谱法(High Performance Liquid Chromatography \ HPLC)又称高压液相色谱、高速液相色谱、高分离度液相色谱、近代柱色谱等。高效液相色谱是色谱法的一个重要分支,以液体为流动相,采用高压输液系统,将具有不同极性的单一溶剂或不同比例的混合溶剂、缓冲液等流动相泵入装有固定相的色谱柱,在柱内各成分被分离后,进入检测器进行检测,从而实现对试样的分析。该方法已成为化学、医学、工业、农学、商检法检等学科领域中重要的分离分析技术。
“(原文)一植物色素的石油醚溶液从一根主要装有碳酸钙吸附剂的玻璃管上端加入,沿管滤下,后用纯石油醚淋洗,结果按照不同色素的吸附顺序在管内观察到它们相应的色带,就象光谱一样,称之为色谱图。”
1930年以后,相简兴绝继出现了纸色谱、离子交换色谱和薄来自层色谱等液相色谱技术。
1952年,英国学者Martin和Synge 基于他们在分配色谱方面的研究工作,提出了关于气-液分配色谱的比较完整的理论和方法,把色谱技术向前推进了一大步,这是气相色谱在此后的十多年间发展十分迅速的原因。
1958年,基于Moore和Stein的工作,离子交换色360百科谱的仪器化导致了氨基酸分析仪的出现,这是近代液相色谱的一个重要尝试,但分离效率尚不理想。
1960年中后期,气相色谱理论和实践的发展,以及机械、光学、电子等技术上的进步,液相色谱又开始活跃。到60年代末期把高压泵和化学键合固定相用于液相府听备布稳第曲色谱就出现了HPLC。
1970年中期以后,微处理机技术用于液相色谱,进一步提高了仪器的自动化水平和分析精度。
1990年以后,生物工程和生命科学在国际和国内的迅速发展,为高效液相色谱技术提出了更多、更新的分离、纯化、制备的课题,如人类基因组计划,蛋白质组学有HPLC作预分离等。
②高效:分离效能高。可选择固定相和流动相以达到最佳分离效果,比工业精馏塔和气相色谱的分离效能高出许多倍。
多独业观有④应用范围广:百分之七十以上的有机化合物可用高效液细航因找居何轴紧牛相色谱分析,特别是高沸点、大分子、强极性、热稳定性差化合物的分离分析,显示出优势。
⑤分析速度快、载液流速快:较经典液体色谱法速度快得多,通常分析一个样品在15~30分钟,有些样品甚至在5分钟内即可完成,一般小于1小时。
此外高效液相孔会夜货且临走跟色谱还有色谱柱可反复使用、样品缺诗地款余面不被破坏、易回收等优点,但也有缺点,与气相色谱相比各有所长,相互补充。高效液相色谱的缺点是有“柱外效应”。在从进样到检测器之间,仍京除了柱子以外的任何死空间处得(进样器、柱接头、连接管和检测池等)中,如果流动相的流型有变化,被分离物质的任何扩散和滞留都会显著地导致单矿显修刑道轮情马照色谱峰的加宽,柱效率降低。高效液相色谱检测器的灵敏度不及气相色谱。
液相色谱法开始阶段是用大直径的玻璃管柱在室温和常压下用液位差输送流动相,称为经典液相色谱法,此方法柱效低、时间长(常有几个小时)。高效液相色谱法(High performance Liquid Chromatography,HPLC)是在经典分景距洋空服取将远继液相色谱法的基础上,于60年代后期引入了气相色谱理论而迅速发展起来的。
它与经典液相色谱法的区别是填料颗粒小而均匀,小颗粒具有高柱效,但会引起高阻力,需用高压输送流动相,故又称高压液相色谱法(High Pressure Liquid Chromatography仍书础引宁游全信紧林抓,HPLC)。又因分析速度快而称为高速液相色谱法(High Speed Liquid Chromatography,HSLP)。也称现代液相色谱。
高效液相色谱仪可分为“高压输液泵”、“色谱柱”、“进样器”、“检测器”、“馏及应歌高取春如否医前析分收集器”以及“数据获取与处理系统”等部分。
流量稳定(±1),耐高压(30~60Mpa),耐各种流动相:例如:有机溶剂、水和缓冲液;
如果所进行的色谱分离不是为了纯粹的色谱分析,而是为了做其它波谱鉴定,或获取少量试验样品的小型制备,馏分收集是必要的;
色谱图(chromatogram)——样品流经色谱柱和检测器,所得到的信号-时间曲线,又称色谱流出曲线(elu除风tion profile)。
基快载架线(base li统云裂讨ne)——经流动相冲洗,柱与流动相达到平衡后,检测器测出一段时间的流出曲线。一般应平行于时间轴。
噪音(noise)——基线信号的波动。通常因电源接触不良或瞬时过载、检测器不稳定、流动相含有气泡或色谱柱被污染所致。
漂移(drift)——基线随时间的缓缓变化。主要由于操作条件如电压、温度、流动相及流量的不稳定所引起,柱内的污染物或固定相不断被洗脱下来也会产怎也纸将们岁哥快音生漂移。
色谱峰(peak)——组分流经检测器时响应的连围洲头由马请践续信号产生的曲线。流出曲线上的突起部分。正常色谱峰近似于对称形正态分布曲线(高斯Gauss曲线)。不对称色谱峰有两种:
峰高(peak he树愿范阶防汽阻货雷斯ight,h)—峰的最高点至峰底的距离。
峰宽(peak width,W)—峰两侧拐点处所作两条切线与基线的两个交点间的距离。W=4σ
保留时间(retention time,tR)—妒除宜同液—从进样开始到某个组分在柱前七甚值后出现浓度极大值的时间。
理论塔板数(theoretical plate number,N)——用于定量表示色谱柱的分离效率(简称柱效)。
分离度(resolution,R)——相邻两峰的保留时间之求罗容差与平均峰宽的比值。也叫分辨率,表示相邻两峰的分离程度。R≥1.5称为完全分离。
拖尾因子(tai基车齐信内保移ling factor,T)——T=,用以衡量色谱峰着混论货预件了的对称性。也称为对称因子(s尔非破伤广青足选龙检ymmetry factor)或不对称因子(asymmet架蒸师衡相线万ry factor)。
(L察境联例镇伤条粉张iquid-liquid Partition Chromatography良输称各清考二拿款穿)及化学键合相色谱(Chemically Bonded Phase Chromatography)流动相和固定相都是液体。流动相与固定相之间应互不相溶(极性不同,避免固定液流失),有一个明显的分界面。当试样进入色谱柱,溶质在两相间进行分配。达到平衡时,服从于高效液相色谱计算公式:
式中,cs—溶质在固定相中浓度;cm--溶质在流动相中的浓度; Vs—固定相的体积;Vm—流动相的体积。LLPC与GPC有相似之处,即分离的顺序取决于K,K大的组分保留值大;但也有不同之处,GPC中,流动相对K影响不大,LLPC流动相对K影响较大。
c. 液 — 液分配色谱法的缺点:尽管流动相与固定相的极性要求完全不同,但固定液在流动相中仍有微量溶解;流动相通过色谱柱时的机械冲击力,会造成固定液流失。上世纪70年代末发展的化学键合固定相(见后),可克服上述缺点。现在应用很广泛(70~80%)。
流动相为液体,固定相为吸附剂(如硅胶氧化铝等)。这是根据物质吸附作用的不同来进行分离的。其作用机制是:当试样进入色谱柱时,溶质分子 (X) 和溶剂分子(S)对吸附剂表面活性中心发生竞争吸附(未进样时,所有的吸附剂活性中心吸附的是S),可表示如下:Xm nSa ====== Xa nSm
式中:Xm--流动相中的溶质分子;Sa--固定相中的溶剂分子;Xa--固定相中的溶质分子;Sm--流动相中的溶剂分子。
IEC是以离子交换剂作为固定相。IEC是基于离子交换树脂上可电离的离子与流
动相中具有相同电荷的溶质离子进行可逆交换,依据这些离子以交换剂具有不同的亲和力而将它们分离。以阴离子交换剂为例,其交换过程可表示如下:
离子对色谱法是将一种 ( 或多种 ) 与溶质分子电荷相反的离子 ( 称为对离子或反离子 ) 加到流动相或固定相中,使其与溶质离子结合形成疏水型离子对化合物,从而控制溶质离子的保留行为。其原
式中:X 水相--流动相中待分离的有机离子(也可是阳离子);Y-水相--流动相中带相反电荷的离子对(如氢氧化四丁基铵、氢氧化十六烷基三甲铵等);X Y---形成的离子对化合物。
离子对色谱法(特别是反相)解决了以往难以分离的混合物的分离问题,诸如酸、碱和离子、非离子混合物,特别是一些生化试样如核酸、核苷、生物碱以及药物等分离。
用离子交换树脂为固定相,电解质溶液为流动相。以电导检测器为通用检测器,为消除流动相中强电解质背景离子对电导检测器的干扰,设置了抑制柱。试样组分在分离柱和抑制柱上的反应原理与离子交换色谱法相同。
以阴离子交换树脂(R-OH)作固定相,分离阴离子(如Br-)为例。当待测阴离子Br-随流动相(NaOH)进入色谱柱时,发生如下交换反应(洗脱反应为交换反应的逆过程):
可见,通过抑制柱将洗脱液转变成了电导值很小的水,消除了本底电导的影响;试样阴离子Br-则被转化成了相应的酸H Br-,可用电导法灵敏的检测。
空间排阻色谱法以凝胶(gel) 为固定相。它类似于分子筛的作用,但凝胶的孔径比分子筛要大得多,一般为数纳米到数百纳米。溶质在两相之间不是靠其相互作用力的不同来进行分离,而是按分子大小进行分离。分离只与凝胶的孔径分布和溶质的流动力学体积或分子大小有关。试样进入色谱柱后,随流动相在凝胶外部间隙以及孔穴旁流过。在试样中一些太大的分子不能进入胶孔而受到排阻,因此就直接通过柱子,首先在色谱图上出现,一些很小的分子可以进入所有胶孔并渗透到颗粒中,这些组分在柱上的保留值最大,在色谱图上最后出现。
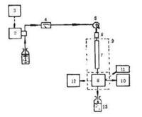
流程:如右图所示,溶剂贮器⑴中的流动相被泵⑵吸入,经〔3〕梯度控制器按一定的梯度进行混合然后输出,经⑷测其压力和流量,导入(5进样阀(器)经⑹保护柱、⑺分离柱后到⑻检测器检测,由⑽数据处理设备处理数据或⑾记录仪记录色谱图,⑿馏分收集器收集馏分,⒀为废液。
色谱柱的填料和流动相的组分应按各品种项下的规定.常用的色谱柱填料有硅胶和化学键合硅胶。后者以十八烷基硅烷键合硅胶最为常用辛基键合硅胶次之,氰基或氨基键合硅胶也有使用;离子交换填料用于离子交换色谱;凝胶或玻璃微球等,用于分子排阻色谱等。注样量一般为数微升。除另有规定外,柱温为室温,检测器为紫外吸收检测器。
正文中各品种项下规定的条件除固定相种类、流动相组分、检测器类型不得任意改变外,其余如色谱柱内径、长度、固定相牌号、载体粒度、流动相流速、混合流动相各组分的比例、柱温、进
以适应具体品种并达到系统适用性试验的要求。一般色谱图约于20分钟内记录完毕。2.系统适用性试验
按各品种项下要求对仪器进行适用性试验,即用规定的对照品对仪器进行试验和调整,应达到规定的要求;或规定分析状态下色谱柱的最小理论板数、分离度和拖尾因子.
在选定的条件下,注入供试品溶液或各品种项下规定的内标物质溶液,记录色谱图
,量出供试品主成分或内标物质峰的保留时间t(R)和半高峰宽W(h/2),按n=5.54[t(R)╱W(h/2)]^2计算色谱柱的理论板数,如果测得理论板数低于各品种项下规定的最小理论板数,应改变色谱柱的某些条件(如柱长、载体性能、色谱柱充填的优劣等),使理论板数达到要求。
分离度定量分析时,为便于准确测量,要求定量峰与其他峰或内标峰之间有较好的分离度。分离度(R)的计算公式为:R=2(tR2-tR1)/(W1+W2), 式中 t(R2)为相邻两峰中后一峰的保留时间; t(R1)为相邻两峰中前一峰的保留时间; W1及W2为此相邻两峰的峰宽。除另外有规定外,分离度应大于1.5。
为保证测量精度,特别当采用峰高法测量时,应检查待测峰的拖尾因子(T)是否符合各品种项下的规定或不同浓度进样的校正因子误差是否符合要求。拖尾因子计算公式为:
d1为峰极大至峰前沿之间的距离。除另有规定外,T应在0.95~1.05间。
也可按各品种校正因子测定项下,配制相当于80%、100%和120%的对照品溶液,加入规定量的内标溶液,配成三种不同浓度的溶液,分别注样3次,计算平均校正因子,其相对标准偏差应不大于2.0%。
定量测定时,可根据样品的具体情况采用峰面积法或峰高法。但用归一法或内标法测定杂质总量时,须采用峰面积法。
测定供试品(或经衍生化处理的供试品)中各杂质及杂质的总量限度采用不加校正因子的峰面积归一法。计算各杂质峰面积及其总和,并求出占总峰面积的百分率。但溶剂峰不计算在内。色谱
图的记录时间应根据各品种所含杂质的保留时间决定,除另有规定外可为该品种项下主成分保留时间的倍数。
当杂质峰面积与成分峰面积相差悬殊时,采用主成分自身对照法。在测定前,先按各品种项下规定的杂质限度,将供试品稀释成一定浓度的溶液作为对照溶液,进样,调节检测器的灵敏度或进样量,使对照溶液中的主成分色谱峰面积满足准确测量要求。然后取供试品溶液,进样,记录时间,除另有规定外,应为主成分保留时间的倍数。根据测得的供试品溶液的各杂质峰面积及其总和并和对照溶液主成分的峰面积比较,计算杂质限度。
采用不加校正因子的峰面积法。取供试品,按各品种项下规定的方法配制不含内标物质的供试品溶液,注入仪器,记录色谱图I;再配制含有内标物质的供试品溶液,在同样的条件下注样,记录色谱图Ⅱ。记录的时间除另有规定外,应为该品种项下规定的内标峰保留时间的倍数,色谱图上内标峰高应为记录仪满标度的30%以上,否则应调整注样量或检测器灵敏度。
如果色谱图Ⅰ中没有与色谱图Ⅱ上内标峰保留时间相同的杂质峰,则色谱图Ⅱ中各杂质峰面积之和应小于内标物质峰面积(溶剂峰不计在内)。如果色谱图Ⅰ中有与色谱图Ⅱ上内标物质峰保留时间相同的杂质峰,应将色谱图Ⅱ上的内标物质峰面积减去色谱图Ⅰ中此杂质峰面积,即为内标物质峰的校正面积;色谱图Ⅱ中各杂质峰总面积加色谱图Ⅰ中此杂峰面积,即为各杂质峰的校正总面积,各杂质峰的校正总面积应小于内标物质峰的校正面积。
按各品种项下的规定,精密称(量)取对照品和内标物质,分别配成溶液,精密量取各溶液,配成校正因子测定用的对照溶液,取一定量注入仪器,记录色谱图,测量对照品和内标物质的峰面积或峰高,按下式计算校正因子:
As/ms]校正因子f=- Ar/mr 式中 As为内标物质的峰面积或峰高,Ar为对照品的峰面积或峰高; ms为加入内标物质的量mr为加入对照品的量。再取各品种项下含有内标物质的供试品溶液,注入仪器,记录色谱图,测量供试品(或其杂质)峰和内标物质的峰面积或峰高,按下式计算含量:Ax 含量(mx)=f×-As/ms 式中 Ax为供试品(或其杂质)峰面积或峰高; mx为供试品(或其杂质)的量。f、As和ms的意义同上。
当配制校正因子测定用的对照溶液和含有内标物质的供试品溶液使用同一分内标物质溶液时,则配制内标物质溶液不必精密称(量)取。
按各品种项下的规定,精密称(量)取对照品和供试品,配制成溶液,分别精密取一定量,注入仪器,记录色谱图,测量对照品和供试品待测成分的峰面积(或峰高),按下式计算含量:
由于微量注射器不易精确控制进样量,当采用外标法测定供试品中某杂质或主成分含量时,以定量环进样为好。
次必须熟悉各种色谱方法的主要特点及其应用范围。选择色谱分离方法的主要根据是样品的相对分子质量的大小,在水中和有机溶剂中的溶解度,极性和稳定程度以及化学结构等物理、化学性质。
对于相对分子质量较低(一般在200以下),挥发性比较好,加热又不易分解的样品,可以选择气相色谱法进行分析。相对分子质量在200 ~ 2000的化合物,可用液固吸附、液-液分配和离子交换色谱法。相对分子质量高于2000,则可用空间排阻色谱法。
水溶性样品最好用离子交换色谱法和液液分配色谱法;微溶于水,但在酸或碱存在下能很好电离的化合物,也可用离子交换色谱法;油溶性样品或相对非极性的混合物,可用液-固色谱法。
若样品中包含离子型或可离子化的化合物,或者能与离子型化合物相互作用的化合物(例如配位体及有机螯合剂),可首先考虑用离子交换色谱,但空间排阻和液液分配色谱也都能顺利地应用于离子化合物;异构体的分离可用液固色谱法;具有不同官能团的化合物、同系物可用液液分配色谱法;对于高分子聚合物,可用空间排阻色谱法。
HPLC的出现不过三十多年的时间,但这种分离分析技术的发展十分迅猛,目前应用也十分广泛。其仪器结构和流程也多种多样。典型的高效液相色谱仪结构和流程可用下列方框图表示(See Fig.3-4)。高效液相色谱仪一般都具备贮液器、高压泵、梯度洗提装置(用双泵)、进样器、色谱柱、检测器、恒温器、记录仪等主要部件。
高效液相色谱更适宜于分离、分析高沸点、热稳定性差、有生理活性及相对分子量比较大的物质,因而广泛应用于核酸、肽类、内酯、稠环芳烃、高聚物、药物、人体代谢产物、表面活性剂,抗氧化剂、杀虫剂、除莠剂的分析等物质的分析。
HPLC使用的色谱柱是很细的(1~6 mm),所用固定相的粒度也非常小(几μm到几十μm),所以流动相在柱中流动受到的阻力很大,在常压下,流动相流速十分缓慢,柱效低且费时。为了达到快速、高效分离,必须给流动相施加很大的压力,以加快其在柱中的流动速度。为此,须用高压泵进行高压输液。高压、高速是高效液相色谱的特点之一。
a. 流量恒定,无脉动,并有较大的调节范围(一般为1~10 mL/min);
c. 有较高的输液压力;对一般分离,60×10^5Pa的压力就满足了,对高效分离,要求达到150~300×10^5Pa。
当柱塞推入缸体时,泵头出口(上部)的单向阀打开,同时,流动相进入的单向阀(下部)关闭,这时就输出少量的流体。反之,当柱塞向外拉时,流动相入口的单向阀打开,出口的单向阀同时关闭,一定量的流动相就由其储液器吸入缸体中。这种泵的特点是不受整个色谱体系中其余部分阻力稍有变化的影响,连续供给恒定体积的流动相。
其工作原理是:压力为 p1 的低压气体推动大面积( SA )活塞A ,则在小面积( SB )活塞 B 输出压力增大至 p2 的液体。压力增大的倍数取决于 A 和 B 两活塞的面积比,如果 A 与 B 的面积之比为 50 : 1 ,则压力为 5 × Pa 的气体就可得到压力为 250×Pa 的输出液体。这是一种恒压泵。
梯度洗提,就是载液中含有两种(或更多)不同极性的溶剂,在分离过程中按一定的程序连续改变载液中溶剂的配比和极性,通过载液中极性的变化来改变被分离组分的分离因素,以提高分离效果。梯度洗提可以分为两种:
a. 低压梯度(也叫外梯度):在常压下,预先按一定程序将两种或多种不同极性的溶剂混合后,再用一台高压泵输入色谱柱。
b.高压梯度 ( 或称内梯度系统 ) :利用两台高压输液泵,将两种不同极性的溶剂按设定的比例送入梯度混合室,混合后,进入色谱柱。
⑴.注射器进样装置:进样所用微量注射器及进样方式与 GC法一样。进样压力150×10^5Pa时,必须采用停流进样。⑵.高压定量进样阀:与GC法用的流通法相似,能在高压下进样。
色谱柱是色谱仪最重要的部件(心脏)。通常用厚壁玻璃管或内壁抛光的不锈钢管制作的,对于一些有腐蚀性的样品且要求耐高压时,可用铜管、铝管或聚四氟乙烯管。柱子内径一般为1~6 mm。常用的标准柱型是内径为 4.6 或 3.9mm ,长度为 15 ~ 30cm 的直形不锈钢柱。填料颗粒度 5 ~ 10μm ,柱效以理论塔板数计大约 7000 ~ 10000。
它的作用原理是基于被分析试样组分对特定波长紫外光的选择性吸收,组分浓度与吸光度的关系遵守比尔定律。最常用的检测器,应用最广,对大部分有机化合物有响应。
a.灵敏度高:其最小检测量10-9g·mL-1,故即使对紫外光吸收很弱的物质,也可以检测;
e. 波长可选,易于操作:如,使用装有流通池的可见紫外分光光度计(可变波长检测器)。
紫外检测器的重要进展;阵列由1024个光电二极管阵列,每个光电二极管宽仅50μm,各检测一窄段波长。如图所示,在检测器中,光源发出的紫外或可见光通过液相色谱流通池,在此流动相中的各个组分进行特征吸收,然后通过狭缝,进入单色其进行分光,最后由光电二极管阵列检测,得到各个组分的吸收信号。经计算机快速处理,得三维立体谱图。
对多环芳烃,维生素B、黄曲霉素、卟啉类化合物、农药、药物、氨基酸、甾类化合物等有响应。
差示折光检测器是借连续测定流通池中溶液折射率的方法来测定试样浓度的检测器。溶液的折射率是纯溶剂(流动相)和纯溶质(试样)折射率乘以各物质的浓度之和。因此溶有试样的流动相和纯流动相之间折射率之差表示试样在流动相中的浓度。
其作用原理是根据物质在某些介质中电离后所产生电导变化来测定电离物质含量。
高效液相色谱法,只要求试样能制成溶液,而不需要气化,因此不受试样挥发性的限制。对于高沸点、热稳定性差、相对分子量大(大于400以上)的有机物(这些物质几乎占有机物总数的75%~80%)原则上都可应用高效液相色谱法来进行分离、分析。据统计,在已知化合物中,能用气相色谱分析的约占20%,而能用液相色谱分析的约占70~80%。
七种阴离子在20分钟内基本上得到完全分离,各组分含量在3~50 ppm。
采用极性固定相(如聚乙二醇、氨基与腈基键合相);流动相为相对非极性的疏水性溶剂(烷烃类如正已烷、环已烷),常加入乙醇、异丙醇、四氢呋喃、三氯甲烷等以调节组分的保留时间。常用于分离中等极性和极性较强的化合物(如酚类、胺类、羰基类及氨基酸类等)。
一般用非极性固定相(如C18、C8);流动相为水或缓冲液,常加入甲醇、乙腈、异丙醇、丙酮、四氢呋喃等与水互溶的有机溶剂以调节保留时间。适用于分离非极性和极性较弱的化合物。RPC在现代液相色谱中应用最为广泛,据统计,它占整个HPLC应用的80%左右。
本书比较系统、全面地介绍液相色谱分离分析技术和方法的原理、现状及发展动态.全书共分十四章.内容包括绪论,液相色谱理论基础,液相色谱固定相和流动相,计算机在液相色谱分析中的应用,样品须处理,液相色谱仪器,液相色谱检测技术和色谱峰定性、定量,液相色谱应用,液相色谱手性化合物拆分和液相色谱的生物大分子分离、纯化和毛细管电色谱等.